評論/情報 >
オーディフィル サウンドラボ > 第05回 Fostex FE168SS-HP 搭載バックロードSPの設計図面

[
前の記事へ]

[
次の記事へ]
第05回 Fostex FE168SS-HP 搭載バックロードSPの設計図面
前回までは、<S-004>という2007年に設計したバックロードホーン型スピーカーを例に話をしてきましたが、当時はエクスポネンシャル曲線も知らないで設計していたため、改善の余地が多くある作例でした。
そこで今回から、同じ16cmフルレンジを使いつつ、2021年に設計した<S-076>という作品を例に説明していこうと思います。

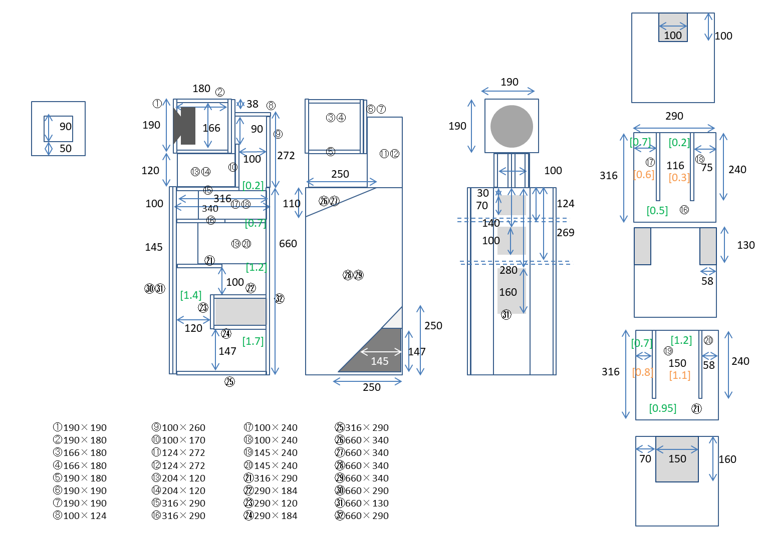
S-076
S-076は、2021年に発売されたFE169SS-HPの使用を想定したバックロードホーン箱です。強力な磁石を持ちながらも、穏やかな特性が与えられており、非常に使いやすいユニットだと思います。
また、容量の違う空気室を複数用意したり、ホーン中央付近に吸音材が出し入れできる蓋を設けたりすることで、完成後に調整をすることができるような設計にしています。
<図面>

[]内は、スロートからの概算距離
<板取り図面>※片ch+空気室 3種類
12mm厚 ラワン合板 2枚
~続く~

[
前の記事へ]

[
次の記事へ]
評論/情報 >
オーディフィル サウンドラボ >第05回 Fostex FE168SS-HP 搭載バックロードSPの設計図面